Lista de Productos> Tornillos> Tornillos ranurados> Tornillos de cabeza de unión ranurada de acero inoxidable
Tornillos de cabeza de unión ranurada de acero inoxidable
Tornillos de cabeza de unión ranurada de acero inoxidable
Tornillos de cabeza de unión ranurada de acero inoxidable
Tornillos de cabeza de unión ranurada de acero inoxidable

Tornillos de cabeza de unión ranurada de acero inoxidable

Obtener el último precio
    Sombra:
    Descripción
    Descripción
    Nombre del producto: Tornillos de cabeza de encuadernación ranurados de acero inoxidable
    Estándar de tamaño: Todos los tornillos cumplen con el estándar ASME B 18.6.3(T27) - 2013
    Descripción del Producto:
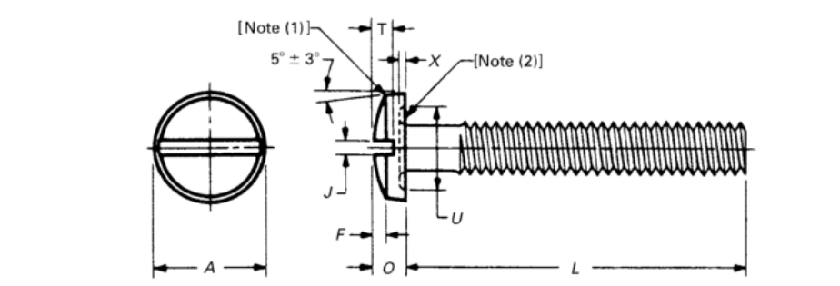
    Los tornillos con cabeza de unión ranurada constan de una ranura recta, una cabeza de unión y roscas de máquina. La ranura recta es compatible con destornilladores de cabeza plana estándar, lo que ofrece versatilidad de herramientas y menores costos. Las paredes de la ranura pueden estar orientadas perpendicularmente a la superficie de la base o con una ligera inclinación. La corona de la cabeza del tornillo presenta un perfil semiesférico; esta ventaja de diseño garantiza una profundidad de ranura suficiente, lo que facilita una transmisión de par eficiente durante el uso y minimiza el riesgo de deslizamiento o deformación de la ranura. Los lados cilíndricos de la cabeza están biselados hacia adentro en un ángulo de 5 grados, lo que da como resultado un perfil cilíndrico cónico. Además, la base de la cabeza es plana; esto proporciona una amplia área de contacto que, durante el apriete, distribuye la presión de manera efectiva, evitando así el aplastamiento de láminas delgadas, plásticos o metales blandos.
    Estándares de rendimiento y materiales:
    Los tornillos ranurados con cabeza de unión de acero inoxidable generalmente se fabrican con grados austeníticos, como SUS304, SUS316 y SUS316L, o grados martensíticos, como S41000. Las propiedades mecánicas de estos tornillos cumplen con la norma ASTM F837. En términos de desempeño, esta norma abarca tres categorías de acero inoxidable: 1. Acero inoxidable austenítico (AF) en estado recocido, con una resistencia máxima a la tracción de 85 ksi; y dos condiciones trabajadas en frío: CW, con una resistencia mínima a la tracción de 80 ksi, y CW1, con una resistencia mínima a la tracción de 102 ksi. 2. Acero inoxidable martensítico en estado tratado térmicamente (HT), con una resistencia a la tracción mínima de 160 ksi.
    Finalizar:
    El acero inoxidable posee inherentemente propiedades resistentes a la corrosión y a los ácidos; por lo tanto, normalmente se pule y limpia para preservar su acabado natural. Sin embargo, en casos que impliquen requisitos específicos, los propios tornillos pueden someterse a tratamientos especializados como ennegrecimiento, electroforesis, cincado negro o galvanoplastia.
    Espaciado de rosca y diámetro de rosca:
    Los diámetros de rosca disponibles incluyen #0, #1, #2, #3, #4, #5, #6, #8, #10, #12, 1/4", 5/16", 3/8" y otros. Los tipos de rosca están disponibles en estándares UNC y UNF. Para otros diámetros, la fabricación personalizada está disponible previa presentación de dibujos técnicos.
    Imágenes del producto:
    Stainless Steel Slotted Binding Head Screws5
    Dimensiones del producto:
    Slotted Binding Head Screws
    Binding Slotted Machine Screws

     
    Contact Us Now
    Enter your inquiry details, We will reply you in 24 hours.
    Please fill in the information
    * Please fill in your e-mail
    * Please fill in the content
    Lista de Productos> Tornillos> Tornillos ranurados> Tornillos de cabeza de unión ranurada de acero inoxidable

    Detalles de Contacto

    Realizar consulta

    Lista de Productos

    Síguenos

    Copyright © 2026 Todos los derechos reservados por Lekou Metal Products Co., Ltd.,.
    Realizar consulta
    *
    *

    We will contact you immediately

    Fill in more information so that we can get in touch with you faster

    Privacy statement: Your privacy is very important to Us. Our company promises not to disclose your personal information to any external company with out your explicit permission.

    Enviar